對于不同的工況條件,可采用不同的干氣密封總體結構形式。實際應用中,用于離心壓縮機的干氣密封主要有下面四種結構形式:
1、單端面密封

單端面密封主要用于不屬于危險性的氣體,即允許少量介質氣體泄漏到大氣環境中的場合。密封所用氣體為工藝氣本身。國內引進機組中的二氧化碳壓縮機多用此種類型。
2、串聯密封
串聯式干氣密封是一種操作可靠性較高的密封結構,典型應用是允許少量介質氣體泄漏到大氣中的工況。在石油化工企業的引進機組中使用較多。

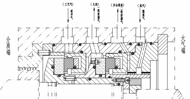
一套串聯式干氣密封可看作是兩套或更多套干氣密封按照相同的方向首尾相連。與單端面結構相同,密封所用氣體為工藝氣本身。通常情況下采用兩級結構,第一級(主密封)密封承擔全部負荷,而另外一級作為備用密封不承受壓力降,通過主密封泄漏出的工藝氣體被引入火炬燃燒。剩余極少量的未被燃燒的工藝氣通過二級密封漏出,引入安全地帶排放。當主密封失效時,第二級密封可以起到輔助安全密封的作用,可保證工藝介質不大量向大氣泄漏。
3、中間帶迷宮的串聯密封

如果不允許工藝介質泄漏到大氣中且也不允許緩沖氣泄漏到工藝介質中,此時串聯結構的兩級密封間可加一級迷宮密封。該結構用于易燃、易爆、危險性大的介質氣體,可以做到完全無外漏。如H2壓縮機、H2S含量較高的天然氣壓縮機、乙烯、丙烯、氨壓縮機等。
該結構所用氣體除用工藝氣本身以外,還需另引一路氮氣作為第二級密封的使用氣體。通過主密封泄漏出的工藝氣體被氮氣全部引入火炬燃燒。而通過二級密封漏入大氣的全部為氮氣。當主密封失效時,第二級密封同樣起到輔助安全密封的作用。該結構相對較復雜,但由于其可靠性最高,目前在中高壓的離心壓縮機軸封中已成為標準配置。
4、雙端面密封

雙端面密封相當于面對面布置的兩套單端面密封,有時兩個密封共用一個動環。它適用于沒有火炬條件,允許少量密封氣進入工藝介質中的情況。在兩組密封之間通入氮氣作阻塞氣體而成為一個性能可靠的阻塞密封系統,控制氮氣的壓力使其始終維持在比工藝氣體壓力稍高(0.2~0.3MPa)的水平,這樣氣體泄漏的方向總是朝著工藝介質氣體和大氣,從而保證了工藝氣體不會向大氣泄漏。雙端面密封結構主要用于壓力不高的有毒、易燃易爆氣體。